| UPS TRIFASE ON LINE SERIE TPH KING 10 ÷ 80kVA |
La serie UPS TPH KING rappresenta l'ultima generazione di UPS nei sistemi trifase di media potenza senza trasformatore (VFI-SS-111).
Alta affidabilità, bassi costi di operatività ed eccellenti prestazioni elettriche sono solo alcune delle performance di questa
innovativa soluzione per UPS. Per tecnologia, prestazioni (funzione Eco Mode selezionabile da pannello), LCD display per allarmi,
misure e storico eventi, n.2 interfaccia di serie, RS232 e porta a contatti, la serie TPH KING è la perfetta soluzione per l'alimentazione
di tutti i dispositivi elettronici sensibili ed i dispositivi per la sicurezza quali gli elettromedicali. Opzionalmente gli UPS della
serie TPH KING possono comunicare in remoto gli allarmi via USB, RS485 e SNMP con software dedicato. La serie TPH KING è disponibile nei
modelli da 10-15-20-25-30-40-50-60-80kVA.
|
|
MODALITÀ DI FUNZIONAMENTO
In condizioni di alimentazione elettrica normale, il carico è alimentato direttamente dall'Inverter mentre il raddrizzatore fornisce la potenza
necessaria all'Inverter e alla carica delle batterie. Qualora si verifichi sulla rete di alimentazione una delle seguenti condizioni:
interruzione della tensione, mancanza di una fase, tensione fuori tolleranza, la batteria provvede a fornire l'energia necessaria
all'Inverter per alimentare il carico senza soluzione di continuità. Una volta ripristinate le normali condizioni di funzionamento, il
raddrizzatore carica la batteria e nel contempo alimenta il carico attraverso l'Inverter. Qualora si verifichi una delle seguenti
condizioni: sovraccarico, tensione uscita Inverter fuori tolleranza, tensione ingresso Inverter fuori tolleranza, guasto Inverter,
sovratemperatura, il carico viene trasferito automaticamente, senza soluzione di continuità, sulla rete di soccorso. Quando vengono
ripristinate le normali condizioni di funzionamento, il carico è ritrasferito automaticamente sull'Inverter.
CARATTERISTICHE GENERALI
Fattore potenza ingresso 0.99 a pieno carico
Fattore potenza uscita 0.9
Distorsione armonica ingresso THiD = 3%
Alti rendimenti, fino al 95.5%
Parallelabile fino a 20 unità (opzionale)
Tensione sinusoidale, filtrata stabilizzata
Ampia tolleranza sulla tensione di ingresso senza intervento da batteria
Tempo di intervento zero
Capacità di sovraccarico elevata
Compensazione automatica della tensione tampone in funzione della temperatura (opzionale)
LCD display per misure, parametri sistema e storico eventi
Protezione batteria da scarica completa
Modalità funzionamento ONLINE/OFFLINE
Trasformatore di isolamento (opzionale)
RS 232 e porta a contatti base standard, USB, RS485 e SNMP opzionali
Funzione convertitore di frequenza;
Emergency Power Off.
|
|
|
|
DISPLAY E CONTROLLO
Il pannello di controllo si divide in tre parti:
| - |
|
Display LCD (PMD); |
| - |
|
Indicatori a LEDs; |
| - |
|
Tastiera. |
Display LCD (PMD)
L'LCD a 2x20 caratteri semplifica la comunicazione con l'UPS e provvede, monitorandolo,
a fornire le necessarie informazioni dell'UPS stesso. Il menù guida dell'LCD permette di avere
accesso alle seguenti informazioni:
| - |
|
Registro degli eventi; |
| - |
|
Monitorare le misure di
ingresso ed uscita di: Tensione, corrente, frequenza e potenza; |
| - |
|
Autonomia batterie; |
| - |
|
Accendere e/o spegnere l'UPS; |
| - |
|
Selezione modalità ON LINE - OFF LINE |
| - |
|
Diagnostica (Service mode); |
| - |
|
Taratura e test automatici. |
Indicatori LEDs
Il diagramma dei LEDs serve ad indicare lo stato generale dell'UPS. I LEDs-indicatori permettono
di avere un'indicazione visiva del flusso della potenza per alimentare il carico (da rete, da
batterie, da linea di by-pass .). In caso di anomalia, il relativo LED, cambierà il colore da
verde (normale) a rosso (allarme).
Tastiera
Attraverso la tastiera è possibile, selezionando il relativo menù, variare la modalità di funzionamento
dell'UPS, tarare, accendere e/o spegnere l'UPS, avere informazioni circa i valori di tensione, corrente, potenza …
|
|
INTERFACCIA DI COMUNICAZIONE
La serie TPH KING è dotata di serie di due interfaccia di comunicazione standard:
Standard serial RS 232
L'interfaccia seriale è una porta RS232 intelligente che può collegare l'UPS al computer. Il
collegamento avviene attraverso un connettore standard D-Type, 9-pin, femmina. Tramite il software
opzionale possono essere monitorati in continuazione valori di misura, allarmi e stati operativi
dell'UPS.
Porta a contatti puliti base
L'interfaccia base standard può utilizzata per: collegare un pulsante di emergenza (NC), GEN-ON (NC),
contatto personalizzabile dal cliente, e sensore temperatura per il controllo della batteria
(12Vcc 200mA max)
L'UPS TPH KING può essere provvisto delle seguenti porte di comunicazione
accessorie:
Porta a contatti opzionale per:
Allarme comune, carico su bypass/inverter, batteria scarica/ok, rete assente/presente.
Interfaccia RS485, e porta USB per remotizzazione segnali e spegnimento automatico
delle utenze informatiche.
|
|
|
SNMP per il monitoraggio e l'integrazione nel sistema di controllo di rete.
L'interfaccia SNMP,Simple Network Management Protocol, è un protocollo universale standardizzato
di comunicazione; utilizzato per monitorare qualsiasi apparato della rete con un semplice linguaggio di controllo.
PARALLELABILITÀ N+X
Questa funzionalità, permette agli UPS il funzionamento in ridondanza, quando la potenza necessaria
è inferiore alla potenza nominale del singolo gruppo (n+1), ed il funzionamento in potenza (2n)
quando per spunti o maggior potenza necessaria, si ecceda la potenza del singolo UPS.
Queste selettività di funzionamento è automatica ed istantanea. Possono essere collegati in
parallelo fino a 20 unità. La versione standard non è provvista di questa caratteristica opzionale
che deve essere richiesta od all'atto dell'ordine o successivamente con un intervento di un nostro
tecnico.
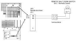
EMERGENCY POWER OFF
L'Emergency power Off (EPO) deve usare un contatto Normalmente Chiuso, il quale se aperto avvia la
sequenza di spegnimento del carico.
|
|
L'Emergency power Off (EPO) è posizionato sul fronte o sul
retro dell'UPS TPH KING a seconda del modello. Per poter rimuovere, eseguire manutenzione o
verificare il funzionamento dell'Emergency Power Off senza creare malfunzionamenti all'apparato
viene raccomandato di inserire un connettore tra l'UPS e l'interruttore di emergenza.
| 1. |
|
Usare un cavo bipolare con una sezione minima di 0,5mm2 e una lunghezza massima di 100 m. |
| 2. |
|
Collegare il cavo come descritto in figura |
COLLEGAMENTO GRUPPO ELETTROGENO
Il collegamento di un gruppo elettrogeno, deve utilizzare un contatto NO, il quale quando chiuso,
indica che l'alimentazione all'UPS arriva da un gruppo elettrogeno in funzione. Il connettore è
posizionato sul fronte o sul retro dell'UPS TPH KING a seconda del modello. Quando utilizzato,
questo dispositivo disabilita la linea di soccorso per prevenire ritorni di corrente o blocchi
del carica batterie per utto il tempo che l'UPS è alimentato dal gruppo elettrogeno.
|
|
|
| Modello |
TPH 10 |
TPH 15 |
TPH 20 |
TPH 25 |
TPH 30 |
TPH 40 |
TPH 50 |
TPH 60 |
TPH 80 |
| Potenza nominale kVA/kW |
10/9 |
15/13.5 |
20/18 |
25/22.5 |
30/27 |
40/36 |
50/45 |
60/54 |
80/72 |
| |
|
|
|
|
|
|
|
|
|
| INGRESSO |
|
| Tensione nominale |
3x380/220V+N, 3x400V/230V+N, 3x415/240V+N |
| Tolleranza tensione |
carico <100% (-23% +15%), <80% (-30% +15%), <60% (-40% +15%) |
| Fattore potenza |
0.99 a pieno carico |
| Frequenza |
35 ÷ 70Hz |
40 ÷ 72Hz |
| Distorsione corrente |
THiD ≤ 3% a pieno carico |
| Corrente di spunto |
Assente |
| |
|
|
|
|
|
|
|
|
|
| USCITA |
|
| Tensione |
400V 3F+N |
| Stabilità tensione |
<±1% statica, <±4% dinamica (step load 0-100% or 100-0%) |
| Distrosione tensione |
<2% con carico lineare, <4% con carico non lineare (EN62040-3) |
| Frequenza nominale |
50Hz o 60Hz |
| Tolleranza frequenza |
±0.1% da batteria, ±2% or ±4% da rete, selezionabile |
| Forma d'onda |
Sinusoidale |
| Tempo intervento |
0 ms. |
| Fattore di cresta |
3 : 1 |
| Sovraccarico |
125% per 10 minuti, 150% per 1 minuto a fp 0.8 |
| Sbilanciamento |
100% regolazione indipendente delle 3 fasi |
| Corrente di picco |
Inverter 3 In per 40 msec - Bypass 10 In per 10msec |
| |
|
|
|
|
|
|
|
|
|
| BATTERIA |
|
| Tipo |
Ermetico, senza Manutenzione |
| Tempo di ricarica |
5h al 90% |
| Tensione batteria |
±288Vcc |
| Curva di ricarica |
Ripple free; IU (DIN 41773) |
| Test batteria |
Automatico (programmabile) e manuale |
| Compensazione |
Sensore temperature opzionale |
| |
|
|
|
|
|
|
|
|
|
| RENDIMENTI |
|
| Modalità ONLINE |
95.5% al 100% del carico, 95% al 50% del carico |
| Modalità OFFLINE |
98% |
| |
|
|
|
|
|
|
|
|
|
| MISCELLANEI |
|
| Stoccaggio batterie |
Max 6 mesi a temperatura ambiente |
| Temp. esercizio |
da 0°C a + 40°C |
| Rumore 100-50% |
55/49 |
55/49 |
57/49 |
57/49 |
58/50 |
59/50 |
59/50 |
62/55 |
62/55 |
| Interfaccia |
RS232 ed EPO standard, porta a contatti, SNMP, RS485 ed USB opzionali |
| Posizionamento |
Min. 20cm spazio posteriore per ventilazione |
| Dimensioni (mm) |
345x710x720 |
345x710x1045 |
440x910x1420 |
500x850x1600 |
| Peso senza batterie |
60 |
65 |
95 |
100 |
160 |
165 |
170 |
180 |
200 |
| Grado protezione |
IP20 |
| Colore |
Grigio RAL 7024 |
| Classe immunità |
C3 |
| |
|
|
|
|
|
|
|
|
|
| NORMATIVE |
|
| Sicurezza |
IEC/EN 62040-1-1, IEC/EN 60950-1 |
| EMC |
IEC/EN 62040-2, IEC/EN61000-3-2, IEC/EN61000-6-2 |
| Prodotto |
EN 62040-3 |
| |
|
|
|
|
|
|
|
|
|
|
La ELIT Srl si riserva il diritto di apportare modifiche ai propri prodotti senza preavviso. |
| scarica
il pdf |
 |
richiedi
preventivo |
 |
|
 |
|